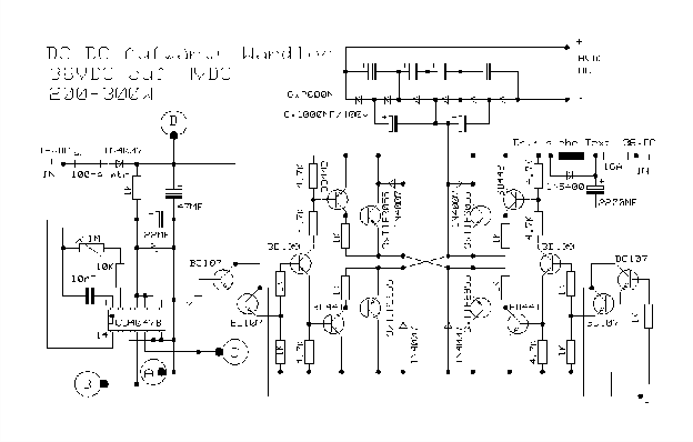
Im September - Heft 199o wurde von Elektor neben der Vorstellung alter Kaskadentypen als Neuheit die "Gisper-Kaskade" vorgestellt. Nun, daneben wurde hier eine andere überaus leistungsfähige und bessere Type etwa im Sommer 1987 entwickelt, und getestet. In der Anwendung ergab sich ein überaus leistungsfähiger DC-DC Wandler.
Fig. 1 zeigt die bekannte Delon- Schaltung. Obwohl ebenfalls
"klassisch", ist ihre Anwendung eigentlich unpopulär, obwohl
sie sich als recht leistungsfähig erweist. Als reine kapazitive Last hat
sie vermutlich das verbreitete Vorurteil mitentstehen lassen, daß "Kaskaden
nur für die Gewinnung statischer Spannungen geeignet" seien.
|
|
Fig. 2 zeigt die übliche "klassische Kaskade". Sie gilt zu Recht als wenig leistungsfähig, weil sie nur eine Phase nutzt und vor allem einen asymmetrischen Impedanzverlauf hat. Fig.3 zeigt die gleiche Kaskade, nur umgezeichnet, um die schaltungsmäßige Struktur sichtbarer zu machen.
Beide altbekannten Schaltungsprinzipien lassen sich kreuzen:
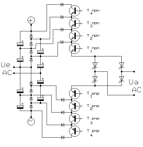
Fig. 4 zeigt eine neue Kaskadenstruktur- bzw. Beschaltung, hier der Abgrenzung wegen "Trimborn-Kaskade" genannt. Diese nutzt in Bezug auf die Eingangs AC-Spannung beide Phasen und hat symmetrischen Impedanzverlauf. Wegen mittensymmetrischer Einspeisung ist die Länge der jeweils aktiven Scheinwiderstandsketten (durch die Kondensatoren ) nur halb so groß.

Solche symmetrisch aufgebauten Kaskaden schlagen jeden Trafo, weil vor allem im Schwachlastbereich Hystereseverluste, Wirbelstromverluste usw. vermieden werden. Wenn die Kaskadenbetriebsspannung genügend hoch ist, dann spielen die Diodenschwell - Spannungsverluste fast keine Rolle mehr , auch wenn keine Schottkys eingesetzt werden.
Fig.5 zeigt eine praktische Anwendung, einen einfachen low-cost-high- efficiency real amazing DC-DC Wandler, der zB. 36V aus 3 Autobatterien auf ca. 200- ~3o V DC (ungeregelt) anhebt. Im Test wurde ein solcher Wandler schon zur DC Versorgung eines abgelegenen Hauses ohne "Netzanschluß" betrieben, wobei zur Batterieladung ein kleiner Windlader eingesetzt wurde. An der Gleichspannung lassen sich Glühlampen problemlos betreiben, viel effizienter jedoch Energiesparlampen mit EVG. Obwohl in dem Prototypen nur 400 Mikrofahrad in der Kaskade und in den Brückenzweigen ausschließlich 2 N 3055 eingesetzt waren, ergab sich lediglich eine Leerlaufstromaufnahmeleistung von ca. nur 4 W ! Die Schaltung war so eingestellt , daß ca. über 200 W dauerfest abgegeben werden konnte. Nicht nur das, die Schaltung ist "immanent" Überlast - dauersicher. 500 W Universalmotor - Bohrmaschinen sind zB. stundenlang damit betrieben worden, um etwa eine Mauerwerksverzahnung herzustellen. Mit einer 700 W kleinen Flex wurden Eisenträger durchtrennt. Dabei werden jedoch diese Geräte bei Belastung ein Stück "schlapper" , weil die Spannung in der Kaskade fast verlustleistungsfrei zusammen bricht, so weit, bis wieder die Nennleistung erreicht ist. Das Anlaufverhalten solcher Motoren an diesem Wandler ist aber nichtsdestotrotz phantastisch, weil die großen Kapazitäten in der Kaskade als Kurzzeit- Energiepuffer wirken.
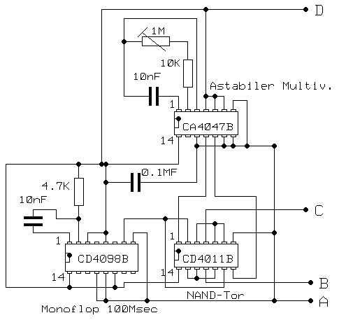
CD 4047B liefert ein gegen- bzw. doppelphasiges Taktsignal mit Rechteckform. Die Diode Db im + 12 V Abgriff schützt die Logik vor dem Fall, wenn etwa die Massebatterieklemme vor der + 36 V Klemme abgenommen wird. Die Zenerdiode schützt das IC vor Beschädigung, wenn zB. Bleiakkus durch Überladung die 15 V Grenze überschreiten.
Die beiden Darlington- Architekturen wirken als Impedanzwandler
bzw. "Vorstromtreiber". Es folgt eine durchaus übliche H-Doppelschaltbrücke.
Kaskaden sind grundsätzlich kapazitive Lasten, was zu höchsten Impulsstrombelastungen führt. Schon in den 6oer Jahren hat es Entwicklungsversuche mit Leistungsmultivibrator - Verdopplerschaltungen gegeben. Diese Schaltungen blieben sicher wenig leistungsfähig, weil man die hohen Impulsströme nicht in den Griff bekommen hat.
Dieses Problem wurde in der hier beschriebenen Konzeption u.a. dadurch gelöst, indem einfach genügend "Silizium" ,hier also 3 parallel geschaltete Leistungstransistoren 2N3055 pro Funktionseinheit gleich 12 Transistoren für die H- Brücke eingesetzt werden und so 45 A Stromspitzen hiermit zulassen.
Fig. 5
Dies alleine ist noch lange nicht ausreichend, die zusätzliche Sättigungsdrossel Dr muß unzulässige Stromspitzen durch Integration auffangen. Sie bildet zusammen mit der Kaskade einen Tiefpass, wobei dessen Eckfrequenz durch die Taktfrequenz getroffen werden muß (in etwa).
An den Brückenausgängen sind zur Gewähr der Unterdrückung inverser Komponenten Freilaufdioden vorgesehen. In den Endstufen sind heute wenig übliche und noch aus der "Germaniumzeit" her bekannte "Runterzieh-(Pull-Down)" Widerstände vorgesehen, die sich dann vorteilhaft bemerkbar machen, wenn im weitergehendem Schaltungsausbau ( "Future Expansion !") durch eine Stand-By Logik die Brücke inaktiviert wird. (Bei Einsatz solcher Schaltungen speziell bei Solarsystemen).
Die Brücke treibt die vorher beschriebene "Trimborn-Kaskade". Bei hier eingesetzten 36 V braucht man 6 Stufen, bei 48 V vier, bei 24 V 8 bis 10. ( Die Schaltung kann auf diese Spannungen angepaßt werden, indem man lediglich Ru und Rul im Treiberkreis entsprechend anpaßt. Ansonsten ist kein Bauteil in seiner konkreten Dimensionierung kritisch.
Die Schaltung nach Fig.4 reagiert bei zunehmender Taktfrequenz (ca . l00 Hz bis mehrere kHz) im Leerlauf mit Zunahme des Leerlaufstromes. Dies beruht auf einer Überschneidung der Brückenschaltzeiten , verursacht durch den Umstand, daß Schalttransistoren generell vor allem in Darlingtonanordnung schneller ein-, als ausschalten. ( In einer einmal "gefüllten" Kaskade geht ohne Belastung fast keine Energie verloren).
Konstruktiv gibt es Methoden, schneller zu schalten, etwa durch forciertes Runterziehen der Basis mittels Hilfsspannung, was jedoch den Wirkungsgrad ein ganzes Stück verschlechtert,- oder aufwendige Freiräumlogiken.

Fig. 6
Fig.6 zeigt eine andere Lösung durch verbesserte Brückenansteuerung. Prinzip: Für jeden Taktimpuls vom CD 4047 wird mittels Monoflop und Gattern als Tor für beide Phasen ein Zeitintervall von durch Beschaltung festen ca o.l msec. abgetrennt. Die Arbeitsphasen an der Brücke sind dadurch nicht mehr exakt gegenphasig, sondern beim Phasenwechsel sind beide Brücken für o.l msec gesperrt. Faktisch bietet diese Schaltungserweiterung die Bereitstellung eines zweiphasigen PWM- Signals mit starrem Pulsweitenverhältnis. Eine dynamische Regelung der Pulsbreite ist höchstens für eine Regelung der Ausgangsspannung zweckmäßig, für eine Standardgrundfunktion jedoch verzichtbar.
Trotz PWM- Modulatorstruktur sieht man auf dem Skop noch kleine Nadeln , die bei unbelasteter Kaskade auf so im "TRI-State-Mode" nicht abgebauter Kollektor-Emiter Sperrkapazität herrühren dürften. Effekt dieser verbesserten Ansteuerung ist, daß so die Leerlaufstromaufnahme beim Hochfahren der Taktfrequenz gering bleibt und schließlich sogar abnimmt. So erhalten wir auch im Schwachleistungsbereich Wirkungsgrade von 95% etwa oder besser. Diese Schaltungserweiterung wird statt des CD 4047 der Grundschaltung an den mit Buchstaben gekennzeichneten Stellen angeschlossen.
Drossel Dr sollte mind. aus
Die Kondensatoren sollten schaltfeste Typen sein, oder mindestens DIN spezifiziert. Bei schlechten Elkos besteht angesichts der hohe Ströme EXPLOSIONSGEFAHR!
Halbleiter müssen tatsächlich l. Wahl sein .
Als Einschalter und Kurzschlußsicherung ist ein üblicher
Netzsicherungsautomat ausnahmsweise genau hier geeignet. Die Endtransistoren
können jeweils in Gruppen auf
Der ganze Schaltungsaufbau ist äußerst unkritisch und arbeitet komplikationslos. Lediglich beim Elko Cu und Drossel müssen direkt an die Endtransistoren ohne Umweg angeschlossen werden. Dort sind auch die Stromzufuhrkabel anzubringen.
Zwischen Brücke und Drossel , Pkt. Mp ,einen sehr kleinen
Widerstand zB.
Keine Angst , die Schaltung reagiert äußerst gutmütig !
Eine solche Schaltung läßt sich auch in "abgespekter
" Form und mit kleinerer Kaskade als Leuchtstoffröhren- Spannungswandler
betreiben. Dazu muß bei
In weiterer Entwicklung läßt sich die Schaltung, außer Schaltungsvorkehrungen der Regelung der Ausgangsspannung, soweit verbessern, daß trotz Verwendung "alten" bipolaren Transistormaterials ( hier wegen energetischer Nutzung selbst der Treiberströme durch Komplementär- Darlington- Architektur) keine mechanischen Ein/ Ausschalter mehr gebraucht werden. Dazu ist lediglich eine CMOS Kontrollogik (es geht ausschließlich mit Schmitt-Triggern und entsprechender komplexer Gatterung und ohne stromfressende OP-Amps !) nötig. Echter "No- Power" Stand BY läßt sich machen, indem etwa durch "gelegentlichen" "Refresh-Impuls" die Kaskade voll geladen bleibt. Teile einer solchen Struktur sind experimentell erprobt worden. Die Ansteuerschaltung, die Brücke, sowie die Kaskade sollten daher auf eigenständige Platinen aufgebaut werden. Diese Logik ist ausschließlich mit Standard CMOS zumachen. Die Verwendung von PWM -ICs ist wegen Nachlieferbarkeit, kurzer Lebensdauer am Markt, sowie meist intern konstruktiven Nachteilen nicht immer ratsam.
Eine Leistungssteigerung bis in den KW - Bereich ist mit dieser Schaltungskonzeption leicht realisierbar.
Sinuswechselrichter werden üblicherweise als Brückenstufen mit HF -Trafos konzipiert. Die Trafos werden über Sättigungsdrosseln angekoppelt, angesteuert wird das Ganze mit einem "Impulskamm", dessen Pulsweitenverhältnis einer Sinus - Verteilung entspricht. Mit gutem Kernmaterial werden zwar in einer Belastungsgrößenordnung akzeptable Wirkungsgrade erreicht, aber der Stand -BY und Schwachlastbereich läßt konzeptbedingt zu wünschen übrig. Relativ hohe Ausgangsimpedanzen sowie eingeschränkte Cos -Phi Tauglichkeit zeigen die Grenzen dieser Konzepte.
Fig. 7 zeigt eine neuartige Lösung für das Grundproblem von Sinus Wechselrichtern. Bei der Sinussynthese werden Spannungstreppen verlustleistungsfrei durch Nutzung der einzelnen Kaskadenstufen (= "Virtuellen Spannungsquellen") gebildet. Die Transistoren werden dazu nach in Bezug auf die Zeichnung mit zahlenmäßig aufsteigendem Index geschaltet. Die Kommutierung kann , wie gezeichnet durch eine so sicher löschbare Thyristorbrücke bewerkstelligt werden, oder durch einen zweiten Satz Transistor Schalter. Diese sollten wegen der Treiberstromproblematik bei "potentialmäßig schwimmendem Betrieb" entgegen der Zeichnung Power MOS-FETs sein.
Die Schaltzeitpunkte der einzelnen Transistoren kann zB. durch Komparierung der Ausgangsspannung mit einem Modellsinus gewonnen werden. Weil die Schaltfrequenzen relativ niedrig liegen , sind bisher für unmöglich gehaltene Wirkungsgrade über mehrere Lastdekaden möglich. Dazu kommt eine neue bisher nicht machbare Eigenschaft dazu: Die Ausgangsimpedanzen sind sehr gering, die Schaltung ist entsprechend rückstromsicher zB. bei induktiven Lasten. Die Arbeitsfrequenzen lägen zwar im Hörbereich, weil aber die einzelnen Potentialsprünge bei dieser Konzeption nicht so groß sind, führt wenig Aufwand zu gutem oberwellenarmen Ergebnis.

Fig. 7
Zu den angegebenen Schaltungen sei gesagt, daß heute der Einsatz von MOS - FETs bevorzugt würde. Dieser Aufsatz ist schon vor einigen Jahren entstanden, sicher könnten in diesem Entwurf noch einige Dinge noch einfacher und bauteileffizienter verwirklicht werden. Insbesondere bieten MOS-FETs weit höhere Stromreserven als die "alten" empfindlichen bipolaren Transistoren, was sich bei einem Neuentwurf dieser Schaltung vorteilhaft auswirken würde.
An der grundsätzlichen und prinzipiellen Funktionsfähigkeit dieser Schaltung ändert sich natürlich nichts.
Insbesondere der Teil des Aufsatzes über neuartige Schaltungsprinzipien von Sinus- Wechselrichtern ist nach wie vor aktuell. Hier werden noch "Elektronikaktivisten" gesucht, die sich einmal hinsetzen und eine solche Konzeption umsetzen ( natürlich mit MOS- FETs !) . Vermutlich ist die "Zwischenspannungs - Niveau - Erzeugung" via Kaskade das einzige Verfahren ,daß wünschenswert niedrige Ausgangsimpedanzen garantiert. Im Vordergrund dabei steht nicht eine Sinusgenerierung, sondern insbesondere COS Phi bedingte Rückspeiseeffekte.
Das Fraunhofer -Institut für solare Energiesysteme hat vor einige Jahren eine Sinuserzeugung mittels gestufter potentialverschieblicher und kombinierbarer Batterieblöcke vorgestellt, mit sehenswerten Daten ! Es scheint aber irgendwie "elektronisch schräg" via Spannungsabgriffen galvanisch separater Spannungssäulen eine Sinustreppe zu generieren.
Aber :
Die völlige Neukonzeption eines Sinuswechselrichters kostet viel Zeit und
ist sehr anspruchsvoll .
Wer macht’s ?
![]()